1.技术性能
小型化——不改变变压器常规体积和形状
采用机电一体化机构大大减小体积,提高了可靠性
长寿命——寿命等同于变压器本体
采用特制真空泡、柔性驱动,电气寿命达30万次以上
免维护——寿命周期内无需维护
采用真空灭弧室隔离开关触点,轻冲量柔性驱动机构,平滑带动真空开关
2.技术参数
3.有载调压开关型号
示例:PSDSM1-10/200-5/2.5%
表示配电变压器用、三相油浸式、D接线、少维护、产品特征代号M、产品设计序号1、额定电压10kV、适用变压器容量200kVA、档位数为5、调压级为2.5%/档的配电变压器用有载调压开关。
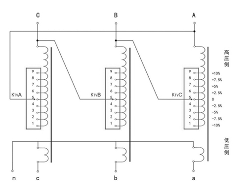
4.有载调压原理 
如上图所示,以9档±4×2.5%的Dyn11接法的有载调压配变压器为例,进行调压原理说明,图中方框代表有载调压开关。在变压器高压侧线圈上抽头,利用有载调压开关改变高压侧线圈的抽头来改变高低压线圈的变比,实现调压的目的。调压时,以低压侧输出端电压作为调压判据,若实际输出电压大于输出电压目标值上限,有载调压开关降低一档;若实际输出电压小于输出电压目标值下限,有载调压开关升高一档,使低压侧输出电压稳定在目标电压上下阈值内。
5.有载调压开关外形尺寸
6.有载调压开关安装在配电变压器中示意图
调压开关在200kVA配电变压器中的安装示意图
下一个: 5档永磁真空有载调压调容开关