1.适用范围
本真空有载调压开关适用于 10kV/0.4kV,容量为 100kVA~630kVA 的三相油浸式立体卷铁芯(国网标准化)、叠铁芯等有载调压配变。利用有载调压开关改变高压侧线圈的抽头来改变高低压线圈的变比,实现调压的目的。
2.调压开关技术参数 
3.型号命名
示例:PSDPM4-10/200-5/2.5%
表示配电变压器用、三相、D接线方式、普通、产品特征代号M(我公司专用代号),标准化硅钢立体卷用、额定电压10kV、适用变压器容量200kVA、档位数为5、调压级为2.5%/档的有载调压开关。
4.功能特点
安装该有载调压开关及智能有载调压控制器后,可实现远程遥控、就地自动及就地手动调压等功能。解决了配变台区电压不稳及自动调压的问题,可使配变台区供电电压不因负荷的变化而出现大幅度的变化,确保配变供电电压稳定。
有载调压开关的特点如下:
小型化——采用机电一体化结构,不改变配电变压器常规形状和体积。
长寿命——采用特制真空泡、柔性驱动,电气寿命达 10 万次。
免维护——采用真空灭弧室隔离开关触点、轻冲量柔性驱动机构,平滑调压。
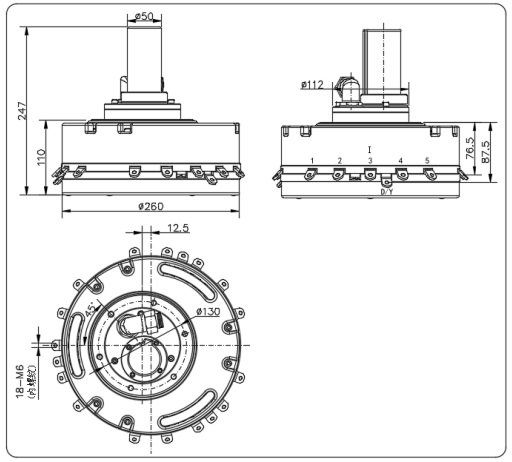
5.有载调压开关外形图
上一个: 没有了!